Description
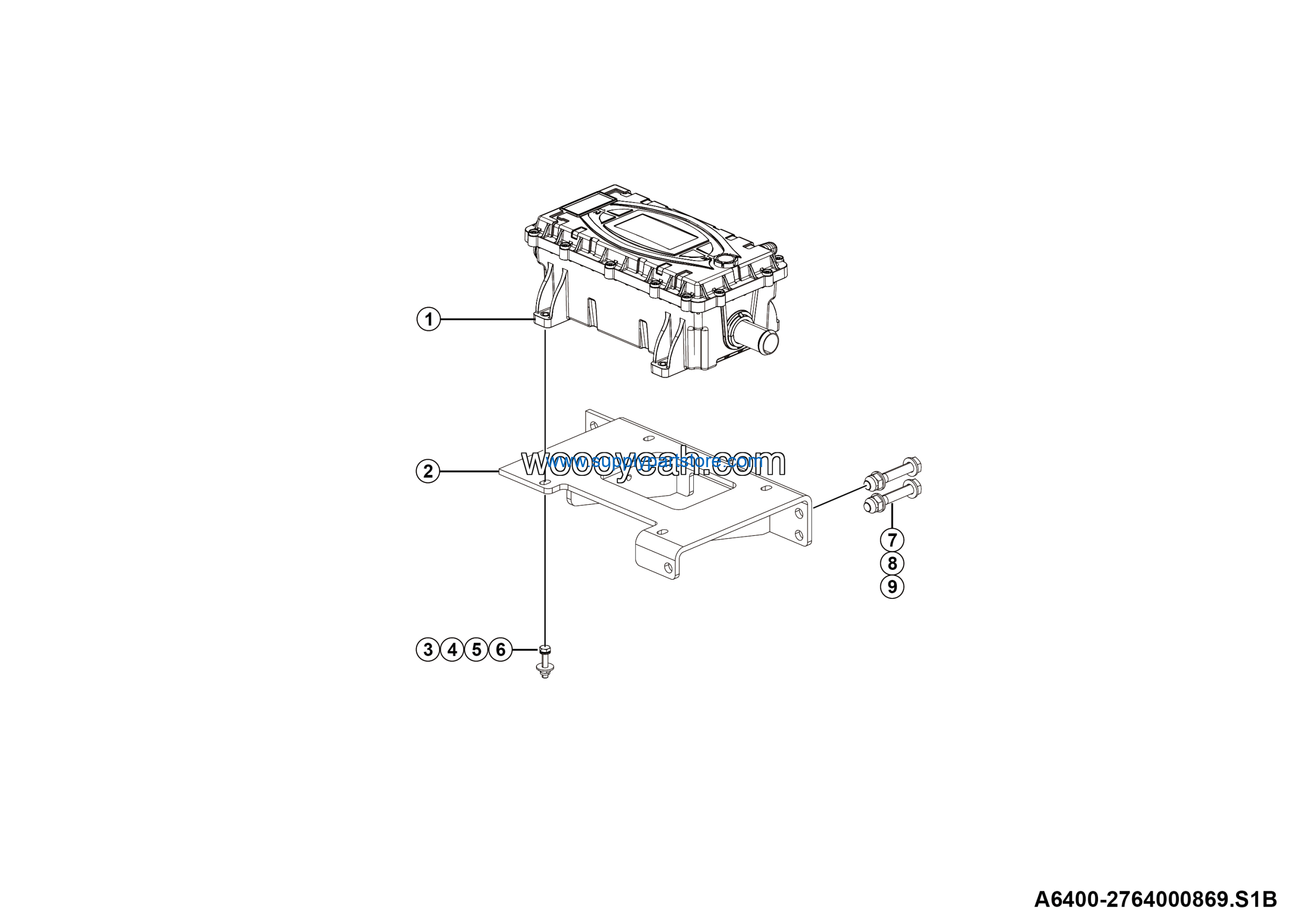
LGMG Mine Truck 2026 – Battery ptc1 heater assy – A6400-2764000869.S1B
Category: 2026 > Mine Truck > MTH126M > C1260Y3A0A206
Parts List:
| No. | Part Name | Part Number | Qty |
|---|---|---|---|
| 1 | Water heating PTC 12kW | 4130705909 | 1 |
| 2 | Bracket wldmt | 27640008641 | 1 |
| 3 | Bolt GB5783-M6*30flznyc-8.8-480 | 4011010717 | 4 |
| 4 | Double sack wedge lock washer HF6 | 4190708407 | 4 |
| 5 | Washer GB96.1-6flZnyc-300HV-480 | 4015010296 | 4 |
| 6 | Nut GB6185.1-M6flZnyc-8-480 | 4013010414 | 4 |
| 7 | Bolt GB5782-M10*65flZnyc-8.8-480 | 4011010729 | 4 |
| 8 | Washer GB97.1-10flZnyc-300HV-480 | 4015010339 | 8 |
| 9 | Nut GB6185.1-M10flZnyc-8-480 | 4013010292 | 4 |






Reviews
There are no reviews yet.