Description
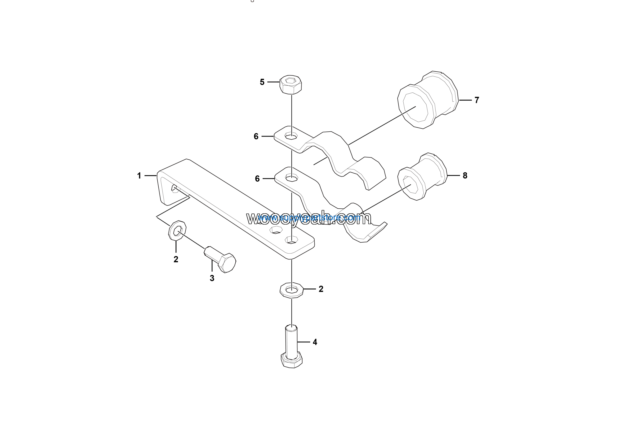
LGMG Off-Highway Dump Truck 2023 – ASM-Return oil pipe bracket mounting assy – H1501-2715012499.S1A
Category: 2023 > Off-Highway Dump Truck > MT96LF > M096LW4A0M031
Parts List:
| No. | Part Name | Part Number | Qty |
|---|---|---|---|
| 1 | Bracket | 27150124981 | 1 |
| 2 | Washer GB97.1-10EpZn-300HV | 4015000162 | 2 |
| 3 | Bolt GB5783-M10*25EpZn-8.8 | 4011000082 | 1 |
| 4 | Bolt GB5783-M10*30EpZn-8.8 | 4011000084 | 1 |
| 5 | Nut GB6170-M10EpZn-8 | 4013000007 | 1 |
| 6 | Clamp | 27150123161 | 2 |
| 7 | Cushion sleeve LGB123-0426 | 4041001484 | 1 |
| 8 | Cushion sleeve LGB123-0116 | 4041001252 | 1 |






Reviews
There are no reviews yet.